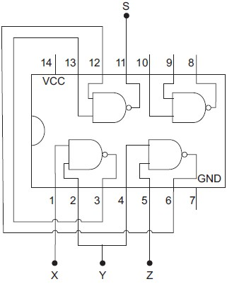
O esquema da Figura abaixo representa um circuito lógico combinacional com três entradas (X, Y e Z) e uma saída (S). Foi usado um CI (circuito integrado) com quatro portas lógicas, das quais apenas três foram utilizadas. A fonte (VCC) e o terra (GND) não foram representados para evitar congestionamento no esquema.

Qual é a função lógica na saída do circuito?