Analise o circuito a seguir.

Para se medir a potência reativa Q de circuitos trifásicos equilibrados e desequilibrados poderá ser empregado o esquema de medição apresentado acima. Em relação a esse esquema, é correto afirmar que:
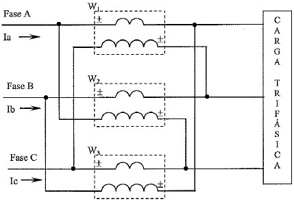
Analise o circuito a seguir.

Para se medir a potência reativa Q de circuitos trifásicos equilibrados e desequilibrados poderá ser empregado o esquema de medição apresentado acima. Em relação a esse esquema, é correto afirmar que: