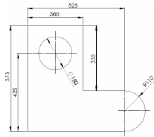
A figura mostra o desenho de uma peça plana zincada de espessura 1,9 mm feita de chapa de aço baixo carbono. Um Técnico em Mecânica deseja representá-la corretamente em escala 1:2. Sabe-se que o desenho deve ter margens, legenda e linhas de cotas.
Qual deve ser o menor formato de papel mais adequado para desenhar a peça? Lembre que o formato A4 possui dimensões de 210x297 mm e que todas as dimensões do desenho estão em milímetros.
