Magna Concursos
Questões
Planos
Entrar
Entrar
Criar Conta
Respondida
293476
Ano:
2012
Disciplina:
Engenharia Elétrica
Banca:
CESGRANRIO
Orgão:
Petrobrás
Provas:
Técnico de Manutenção - Elétrica
Provas
×
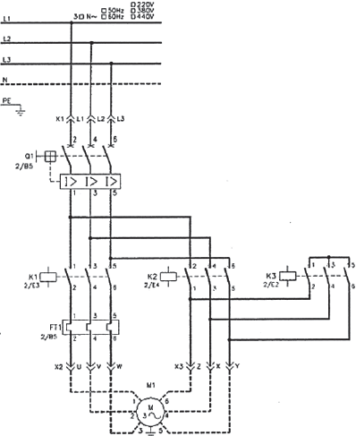
O diagrama trifilar mostrado acima corresponde ao acionamento elétrico de um motor de indução trifásico com método de partida correspondente a:
A
reversão no sentido de rotação
B
partida capacitiva
C
estrela triângulo com redução da corrente na partida
D
comutação copolar
E
frenagem por contator
Resolver
Comentários
0
×
Cadernos
×
Flashcards
×
Estatísticas
×
Reportar um erro
×
Provas
Questão presente nas seguintes provas
Técnico de Manutenção - Elétrica
60 Questões
Resolver Prova
Publicar
Responder
Qual o problema da questão?
Selecione uma opção
Questão Desatualizada
Questão Repetida
Gabarito Errado
Outros Motivos
Mensagem
Enviar
Acessar
Criar Conta
Acesse sua Conta
Google
Facebook
Esqueci minha senha
Acessar
Ainda não tem conta?
Crie uma
!
Crie uma Conta
Criar Conta
Olá, para continuar, precisamos criar uma conta!
É
rápido
e
grátis
.
Google
Facebook
Concordo com os
Termos de Uso
Criar
Já tem uma conta?
Acesse aqui