Magna Concursos
1706889 Ano: 2001
Disciplina: Engenharia Elétrica
Banca: FCC
Orgão: Transpetro
Provas:

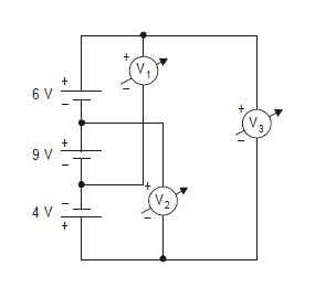
Considere o circuito de fontes de alimentação abaixo.

enunciado 1706889-1

As medidas que correspondem aos voltímetros V1, V2 e V3 são:
 

Provas

Questão presente nas seguintes provas

Operador

50 Questões