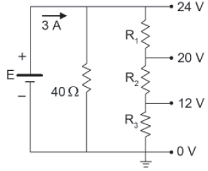
O circuito de corrente contínua representa uma fonte de tensão ideal E, alimentando um conjunto de resistências e fornecendo uma corrente de 3 A. O objetivo é criar, na saída, um divisor de tensão de 24, 20 e 12 volts, sobre o conjunto de resistências R1, R2 e R3, exatamente como está representado na Figura abaixo.

Considere que o terminal de 12 V da saída, que aparece sobre o resistor R3, seja utilizado como fonte de tensão para alimentar uma determinada carga resistiva.
Para que a corrente drenada pela carga seja de 1 ampere, qual o valor, em ohms, dessa carga?