
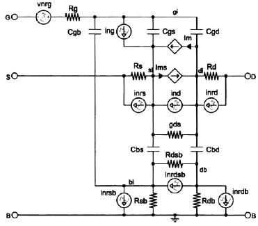
A figura apresentada mostra as diferentes fontes de ruído no transistor MOS.
Em uma frequência f, o ruído no dreno é constituído pelo ruído térmico do canal e o ruído flicker. Assinale a alternativa que apresenta a expressão clássica da sua densidade espectral de potência de ruído Sind, com !$ α !$ > 0.