Magna Concursos
2949103 Ano: 2023
Disciplina: Engenharia Eletrônica
Banca: FEPESE
Orgão: CAJ-SC
Provas:

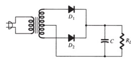
Analise o circuito abaixo:

Enunciado 3253469-1

Assinale a alternativa correta sobre o circuito apresentado.

 

Provas

Questão presente nas seguintes provas

Analista - Automação

45 Questões