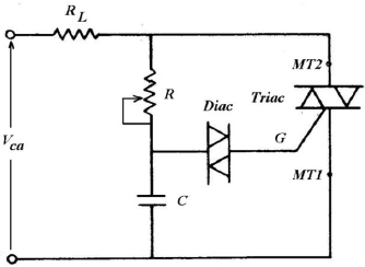
O circuito abaixo permite o controle do valor eficaz da tensão na carga RL com o uso de um triac, um diac, um resistor variável R e um capacitor C.

Em relação ao funcionamento do circuito, é correto afirmar:
O circuito abaixo permite o controle do valor eficaz da tensão na carga RL com o uso de um triac, um diac, um resistor variável R e um capacitor C.

Em relação ao funcionamento do circuito, é correto afirmar: