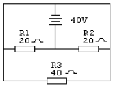
No circuito abaixo, a intensidade da corrente elétrica no resistor R3, em ampères, é de:

Provas
Questão presente nas seguintes provas
CFS - Aeronavegantes e Não-Aeronavegantes
100 Questões
CFS - Controle de Tráfego Aéreo
100 Questões