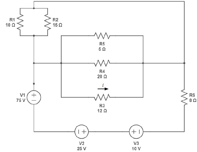
O circuito representado na figura a seguir é composto por três fontes de tensão e seis resistores.

Assinale a alternativa que apresenta o módulo da corrente no resistor R3 em amperes.
O circuito representado na figura a seguir é composto por três fontes de tensão e seis resistores.

Assinale a alternativa que apresenta o módulo da corrente no resistor R3 em amperes.