Um transformador monofásico de 50 kVA, 10 kV / 250 V, 60 Hz foi submetido a testes para determinação dos parâmetros do seu circuito equivalente. A tabela exibida na sequência indica os resultados para os ensaios a vazio e de curto-circuito.
| Ensaio | Tensão medida (v) | Corrente medida (A) | Potência ativa medida (W) | Lado de medição |
| Curto-circuito | 1000 | 5 | 1450 | alta tensão (10KV) |
| A vazio | 250 | 4 | 2000 | baixa tensão (250 v) |
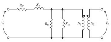
Se o circuito representado a seguir for considerado como referência para a determinação dos parâmetros equivalentes do transformador, quais os valores obtidos de !$ R_T !$ e !$ R_a !$, respectivamente?
