
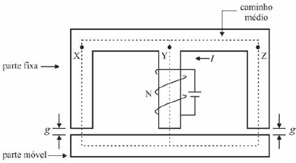
A figura acima ilustra a vista frontal de um eletroímã construído com material ferromagnético. O dispositivo apresenta três entreferros de largura g, que são justamente as separações entre as partes fixa e móvel do eletroímã. Na parte central da peça fixa, é inserida uma bobina N com 100 espiras. A bobina é excitada com uma corrente constante igual a 0,5 A. Tendo como base essas informações, julgue o item a seguir.
A força magnetomotriz produzida pela bobina é igual a 100 A . espiras.
A força magnetomotriz produzida pela bobina é igual a 100 A . espiras.
Provas
Questão presente nas seguintes provas