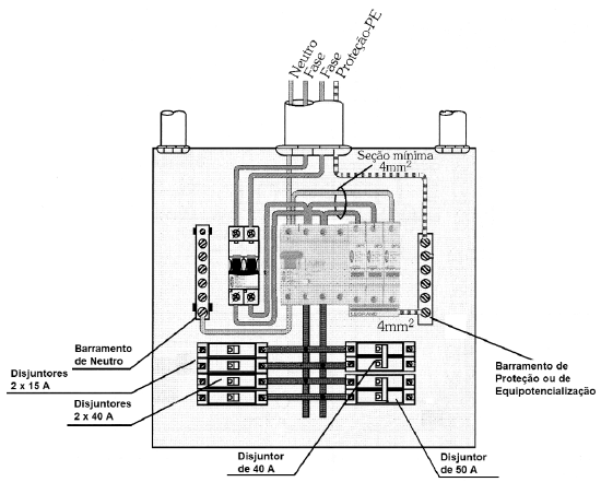
Observe a seguir o quadro de distribuição e a especificação dos seis equipamentos de iluminação que serão conectados a esse quadro.

Luz robótica de cabeçote móvel – sistema elétrico: Alimentação CA: 100 a 240 V nominal, 50/60 Hz; Consumo total máximo de energia: 260 W; Unidade de fornecimento de energia: modo de comutador eletrônico de variação automática; Consumo típico de energia, todos os efeitos estáticos, resultado de luz zero: <15 W.
Nesse caso, recomenda-se a instalação desses equipamentos utilizando-se