
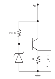
No circuito eletrônico da figura acima, todos os componentes são considerados ideais. O transistor opera com ganho β = 20 e V BE= 0,6 V. Sabe-se que o diodo Zener opera com tensão nominal de 6 V, que o circuito deve funcionar com a tensão VC podendo assumir valores entre 15 e 30 V e que a resistência de carga RL é incerta, podendo variar de 5 Ω até infinito (circuito sem carga). O projeto prevê que a tensão V L , com alguma tolerância, permaneça constante. Nesse contexto, o diodo Zener deverá ser especificado no projeto para suportar uma potência máxima, em W, de