3075837
Ano: 2016
Disciplina: Desenho Técnico e Industrial
Banca: FCC
Orgão: Pref. Teresina-PI
Disciplina: Desenho Técnico e Industrial
Banca: FCC
Orgão: Pref. Teresina-PI
Provas:
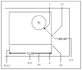
Considere o desenho abaixo.

No AutoCad 2015, os elementos de cotagem identificados por I e IV, são denominados, respectivamente, de