
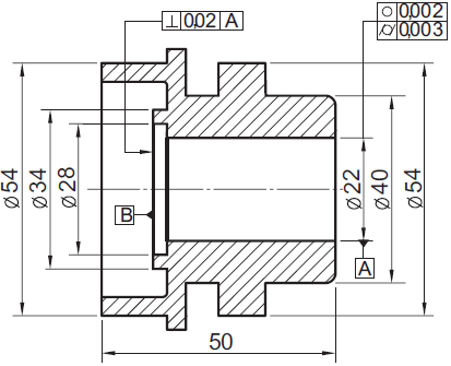
A NBR 6409/1997 estabelece as tolerâncias geométricas - tolerâncias de forma, orientação, posição e batimento - generalidades, símbolos, definições e indicações em desenho.
No desenho representado na figura, foram aplicados os símbolos prescritos nessa norma. Em tais símbolos está indicada a tolerância de