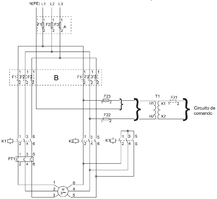
Considere o circuito de força ilustrado na figura a seguir e assinale qual alternativa refere-se ao acionamento de motores de indução trifásico:

Figura de circuito para motor de indução trifásico
Considere o circuito de força ilustrado na figura a seguir e assinale qual alternativa refere-se ao acionamento de motores de indução trifásico:

Figura de circuito para motor de indução trifásico