Considere o enunciado a seguir para responder à questão.
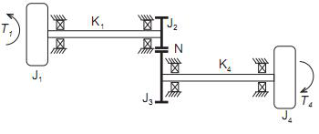
Na figura abaixo é apresentado um par de eixos flexíveis acoplados por engrenagens (com relação de transmissão N), juntamente com os mancais de apoio e as inércias associadas às engrenagens e aos volantes conectados, respectivamente, na entrada e saída dos eixos. Indicam-se, também, as fontes de torque externas presentes neste sistema mecânico de rotação. Supõe-se, para fins de modelagem, que as engrenagens são rígidas e não existe deslizamento entre os seus dentes.

Quantos graus de liberdade possui este sistema?
Na figura abaixo é apresentado um par de eixos flexíveis acoplados por engrenagens (com relação de transmissão N), juntamente com os mancais de apoio e as inércias associadas às engrenagens e aos volantes conectados, respectivamente, na entrada e saída dos eixos. Indicam-se, também, as fontes de torque externas presentes neste sistema mecânico de rotação. Supõe-se, para fins de modelagem, que as engrenagens são rígidas e não existe deslizamento entre os seus dentes.

Quantos graus de liberdade possui este sistema?