Observe a figura abaixo, que apresenta um programa em linguagem ladder gravado em um CLP.

Marque a alternativa que apresenta ERRO com relação à lógica apresentada no desenho. Considere as entradas como pushbotton.
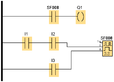
Observe a figura abaixo, que apresenta um programa em linguagem ladder gravado em um CLP.

Marque a alternativa que apresenta ERRO com relação à lógica apresentada no desenho. Considere as entradas como pushbotton.