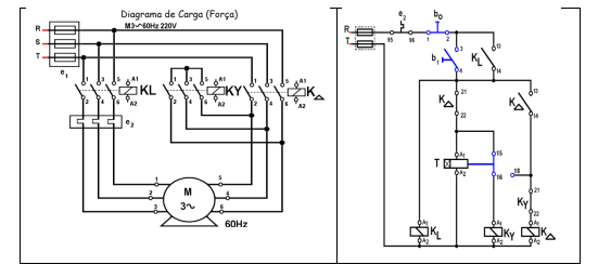
Questão 48 As chaves de partida para motores de indução são dispositivos essenciais para controlar a corrente de partida e proteger o motor contra sobrecargas. Durante a partida, motores de indução tendem a consumir correntes elevadas, que podem danificar componentes e a rede elétrica se não forem devidamente controladas. Para mitigar isso, são utilizadas chaves de partida, como a chave direta, a chave estrela-triângulo e a chave com autotransformador, cada uma adequada a diferentes tipos de aplicação e potência do motor. Elas limitam a corrente inicial ou proporcionam transições suaves entre modos de operação, garantindo maior durabilidade do motor, eficiência energética e segurança no sistema elétrico. Analise o diagrama a seguir:

Marque V para as afirmativas verdadeiras e F para as falsas.
( ) A chave de partida estrela-triângulo reduz a corrente de partida de um motor, conectando inicialmente os enrolamentos em estrela e, após um tempo, em triângulo.
( ) No esquema de chave estrela-triângulo, os contadores são responsáveis por determinar o tempo de transição entre os modos estrela e triângulo.
( ) O uso de contadores na chave estrela-triângulo garante a proteção contra sobrecarga do motor durante a partida.
( ) A conexão triângulo aplica a tensão nominal aos enrolamentos do motor, permitindo que ele atinja sua potência plena.
( ) A chave estrela-triângulo é indicada para motores de baixa potência, uma vez que a corrente de partida em motores pequenos não gera sobrecarga significativa.
A sequência está correta em