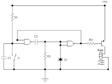
No circuito que se segue o integrado é um CMOS e K é uma chave de um pólo e duas posições. O integrado tem nível de limiar na entrada, entre “0” lógico e “1” lógico, de ½ Vcc. Analise o circuito.

O circuito está perfeitamente polarizado e funcionado.
Pode-se concluir que o circuito é um temporizador acionado pela chave K. Quando houver um fechamento da chave, mesmo momentâneo, o relé deverá ser acionado por um intervalo de tempo Δt. Após o fechamento da chave o relé permanecserá fechado por um intervalo de tempo:
Provas
Questão presente nas seguintes provas
Pesquisador do INPI - Eletrônica e Computação
50 Questões