Magna Concursos
Questões
Planos
Entrar
Entrar
Criar Conta
Respondida
2234894
Ano:
2013
Disciplina:
Engenharia Elétrica
Banca:
UFMG
Orgão:
UFMG
Provas:
Técnico de Laboratório - Eletroeletrônica
Provas
×
Circuitos Elétricos
Leis de Ohm e Kirchhoff
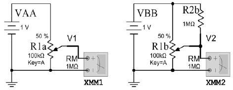
Analise os circuitos divisores de tensão a seguir em que o voltímetro XMM possui impedância
!$ R_M = 1M \Omega !$
e os potenciômetros R1a e R1b possuem as mesmas especificações.
A respeito desses circuitos, é
CORRETO
afirmar que
A
!$ V_1 = V_2 !$
B
!$ V_2 = 0,50V !$
C
!$ V_1 = 0,50V !$
D
A escala, relacionando posição do contato deslizante e tensão neste contato em relação à referência dos potenciômetros
!$ R_{1a} !$
e
!$ R_{1b} !$
, apresenta a mesma linearidade.
Resolver
Comentários
0
×
Cadernos
×
Flashcards
×
Estatísticas
×
Reportar um erro
×
Provas
Questão presente nas seguintes provas
Técnico de Laboratório - Eletroeletrônica
45 Questões
Resolver Prova
Publicar
Responder
Qual o problema da questão?
Selecione uma opção
Questão Desatualizada
Questão Repetida
Gabarito Errado
Outros Motivos
Mensagem
Enviar
Acessar
Criar Conta
Acesse sua Conta
Google
Facebook
Esqueci minha senha
Acessar
Ainda não tem conta?
Crie uma
!
Crie uma Conta
Criar Conta
Olá, para continuar, precisamos criar uma conta!
É
rápido
e
grátis
.
Google
Facebook
Concordo com os
Termos de Uso
Criar
Já tem uma conta?
Acesse aqui