Magna Concursos
Questões
Planos
Entrar
Entrar
Criar Conta
Respondida
1673693
Ano:
2016
Disciplina:
Engenharia Eletrônica
Banca:
BIO-RIO
Orgão:
Pref. Barra Mansa-RJ
Provas:
Eletricista de Manutenção - Predial
Provas
×
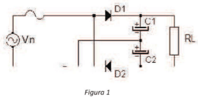
Retificadores de meia onda e onda completa (carga resistiva)
Calcule a tensão no resistor RL da figura 1. Considere os componentes ideais e regime permanente com
\( Vin = 10sen\omega t \)
.
A
14,14V
B
7,07V
C
20V
D
10V
Resolver
Comentários
0
×
Cadernos
×
Flashcards
×
Estatísticas
×
Reportar um erro
×
Provas
Questão presente nas seguintes provas
Eletricista de Manutenção - Predial
40 Questões
Resolver Prova
Publicar
Responder
Qual o problema da questão?
Selecione uma opção
Questão Desatualizada
Questão Repetida
Gabarito Errado
Outros Motivos
Mensagem
Enviar
Acessar
Criar Conta
Acesse sua Conta
Google
Facebook
Esqueci minha senha
Acessar
Ainda não tem conta?
Crie uma
!
Crie uma Conta
Criar Conta
Olá, para continuar, precisamos criar uma conta!
É
rápido
e
grátis
.
Google
Facebook
Concordo com os
Termos de Uso
Criar
Já tem uma conta?
Acesse aqui