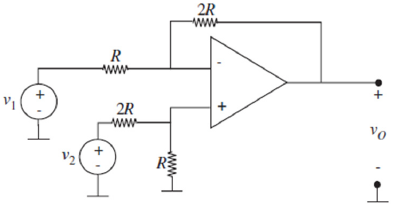
Assumindo que o amplificador operacional da figura a seguir tenha características ideais, bem como que não haja saturação do mesmo, o valor do ganho !$ { \large v_0 \over v_1} !$, sendo !$ v_2 = 0 !$, é igual a

Provas
Questão presente nas seguintes provas