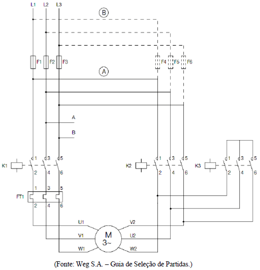
A questão abaixo deve ser respondida com base nos diagramas a seguir.


No diagrama de comando de partida, há um dispositivo temporizador, um botão de ligar, e outro para desligar a chave, que estão representados respectivamente por:
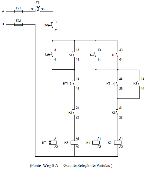
A questão abaixo deve ser respondida com base nos diagramas a seguir.


No diagrama de comando de partida, há um dispositivo temporizador, um botão de ligar, e outro para desligar a chave, que estão representados respectivamente por: