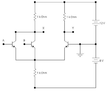
Os transistores do circuito que se segue são de silício.

O circuito pode funcionar como um amplificador analógico diferencial ou como uma porta lógica, dependendo dos sinais das entradas. Considere que ele funcione como uma porta lógica, com as entradas em A e B, sendo os níveis dos “0” lógicos iguais a – 12,0 V e os níveis dos “1”lógicos, iguais a + 12 V. Com a saídas em X e em Y ele se comporta como um:
Provas
Questão presente nas seguintes provas
Pesquisador do INPI - Eletrônica e Computação
50 Questões