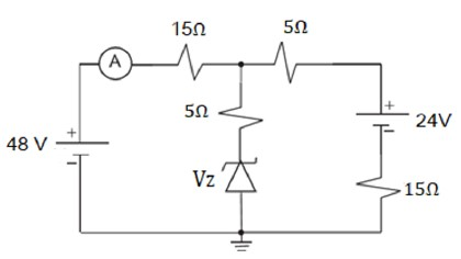
No laboratório de eletrônica analógica de uma instituição de ensino, um estudante de engenharia eletrônica realiza aula prática utilizando diodo Zener. O estudante deverá analisar a figura abaixo, que representa um circuito com um diodo Zener considerado ideal.

Quando a corrente medida no amperímetro considerado ideal for de 1,45 A, a tensão nominal (VZ), no diodo Zener, é, aproximadamente, igual a