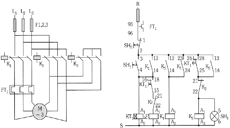
Um técnico é chamado para resolver o problema no acionamento de um ventilador de silo de armazenamento de cereais alimentado por chave de partida estrela-triângulo automática. Verificando os esquemas de força e comando conforme apresentados a seguir e sabendo que foi utilizado temporizador estrela-triângulo, o técnico iniciou os testes para determinar o defeito. Observou-se que apertando o botão SH1, o contator K3 é acionado, mas, ao soltá-lo, o mesmo retorna à condição inicial, e o ventilador não apresenta nenhum sinal de funcionamento. A partir desta verificação e considerando que o defeito encontra se em um único elemento do circuito, o técnico pode concluir que o problema está no
