
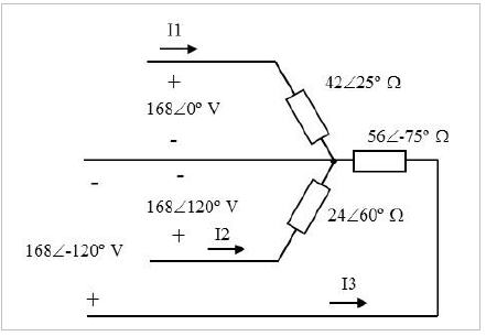
Dado um sistema trifásico de cargas com suas respectivas impedâncias conforme ilustrado na figura ao lado, assinale a alternativa que apresenta as correntes I1, I2 e I3, respectivamente.

Dado um sistema trifásico de cargas com suas respectivas impedâncias conforme ilustrado na figura ao lado, assinale a alternativa que apresenta as correntes I1, I2 e I3, respectivamente.