Magna Concursos
Questões
Planos
Entrar
Entrar
Criar Conta
Respondida
2443764
Ano:
2012
Disciplina:
Engenharia Elétrica
Banca:
BIO-RIO
Orgão:
Pref. Mesquita-RJ
Provas:
Técnico em Edificações
Provas
×
Gerenciamento de Obras
Projeto e Orçamentação
Projetos Elétricos
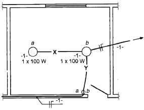
ATENÇÃO: A figura a seguir apresenta uma instalação elétrica típica de um cômodo em uma edificação. Sobre essa instalação, responda à questão.
O eletrocondutor Y deve conter:
A
um fio fase e um fio neutro;
B
um fio fase e um fio de retorno;
C
um fio fase, um fio neutro e um fio de retorno;
D
um fio neutro e um fio de retorno;
E
um fio neutro e dois fios de retorno.
Resolver
Comentários
0
×
Cadernos
×
Flashcards
×
Estatísticas
×
Reportar um erro
×
Provas
Questão presente nas seguintes provas
Técnico em Edificações
50 Questões
Resolver Prova
Publicar
Responder
Qual o problema da questão?
Selecione uma opção
Questão Desatualizada
Questão Repetida
Gabarito Errado
Outros Motivos
Mensagem
Enviar
Acessar
Criar Conta
Acesse sua Conta
Google
Facebook
Esqueci minha senha
Acessar
Ainda não tem conta?
Crie uma
!
Crie uma Conta
Criar Conta
Olá, para continuar, precisamos criar uma conta!
É
rápido
e
grátis
.
Google
Facebook
Concordo com os
Termos de Uso
Criar
Já tem uma conta?
Acesse aqui