Magna Concursos
452193 Ano: 2011
Disciplina: Engenharia Elétrica
Banca: DIRENS Aeronáutica
Orgão: CIAAR

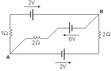
No circuito abaixo, qual a tensão entre os pontos A e B?

Enunciado 452193-1

 

Provas

Questão presente nas seguintes provas

EAOEAR - Engenharia Eletrônica

80 Questões