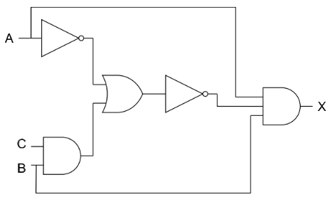
Um engenheiro eletricista foi chamado para otimizar o circuito lógico de um equipamento, como mostra a figura a seguir:

Nesse caso, a expressão lógica simplificada da saída X é
Um engenheiro eletricista foi chamado para otimizar o circuito lógico de um equipamento, como mostra a figura a seguir:

Nesse caso, a expressão lógica simplificada da saída X é