Magna Concursos
2788275 Ano: 2023
Disciplina: Engenharia Elétrica
Banca: FCM
Orgão: IF-SUL Minas
Provas:

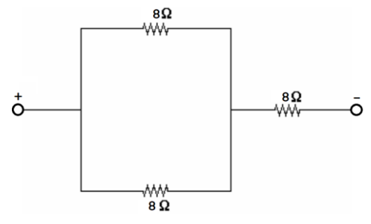
    Considere o seguinte circuito:

    Enunciado 3563076-1

    O valor da resistência equivalente é:

     

    Provas

    Questão presente nas seguintes provas