Magna Concursos
2949102 Ano: 2023
Disciplina: Engenharia Eletrônica
Banca: FEPESE
Orgão: CAJ-SC
Provas:
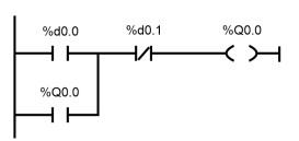
Os CLPs (Controladores Lógicos Programáveis) possuem várias linguagens de programação realizadas de forma gráfica.


Enunciado 3253468-1


Assinale a alternativa que identifica corretamente a linguagem de programação apresentada na figura.
 

Provas

Questão presente nas seguintes provas

Analista - Automação

45 Questões