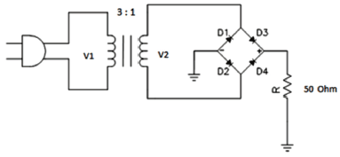
A tensão aplicada ao primário do transformador mostrado no circuito ilustrado abaixo é de 120VRMS.

Considerando todos os diodos como ideais, podemos afirmar que o valor médio da tensão na resistência de carga é aproximadamente igual a:
Provas
Questão presente nas seguintes provas