- Desenho Técnico na Engenharia Civil
- Estruturas
- Resistência dos Materiais e Análise EstruturalEstruturas de Concreto
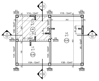
Atenção: com base na figura a seguir, responda à questão.
Na figura, apresenta-se a planta de formas da estrutura de
concreto armado de um pavimento de uma edificação
residencial.

Provas
Questão presente nas seguintes provas