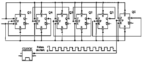
Observe a figura abaixo:

Inicialmente todos os PRE e CLR estão em nível alto e os estados Q5,Q4,Q3,Q2,Q1,Q0 = 1.
Assinale a alternativa que corresponde, respectivamente, à frequência de saída no último FF (Q5) para uma frequência de clock de entrada igual a 2Mhz e ao estado (Q5,Q4,Q3,Q2,Q1,Q0) após 130 pulsos.
Provas
Questão presente nas seguintes provas
Corpo da Armada - Eletrônica
50 Questões
Corpo de Fuzileiros Navais - Eletrônica
50 Questões