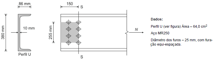
Considere as características do perfil U da conexão apresentada na figura a seguir:

Ao se analisar o que causou o escoamento (deformação excessiva) dessa conexão de uma tesoura de uma cobertura metálica, a hipótese é que com a carga de tração aplicada tenha ocorrido ruptura por cisalhamento de bloco. Os valores da área cisalhada líquida e da área tracionada líquida são, em cm2, respectivamente:
Provas
Questão presente nas seguintes provas