
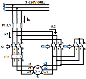
O sistema de partida estrela-triângulo representado acima está demonstrando o funcionamento do motor na conexão triângulo. Se o motor estiver com carga nominal acoplada no eixo, têm-se a corrente nominal iN através dos conjuntos de proteção fusíveis. No caso, as intensidades de corrente elétrica através dos contatores k1 e k2, serão, respectivamente,