
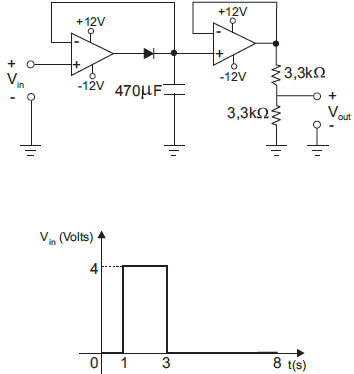
O gráfico apresenta o sinal de entrada Vin(t) aplicado no circuito da figura.
Considerando que o diodo e os amplificadores operacionais são ideais e que o capacitor encontra-se descarregado em t=0, a tensão de saída Vout(t), calculada em t=8 segundos, é, em volts, igual a: