
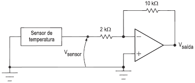
A tensão de saída de um sensor de temperatura é dada pela expressão: !$ V_{sensor}(T)=large{2,5T over 30} !$, onde T [ºC] é a temperatura do local e Vsensor é dada em volts. O sensor de temperatura tem sua saída conectada a um circuito amplificador com Amp Op ideal, conforme apresentado na figura acima. A temperatura medida pelo sensor, em ºC, quando Vsaída = −4,5 V, é