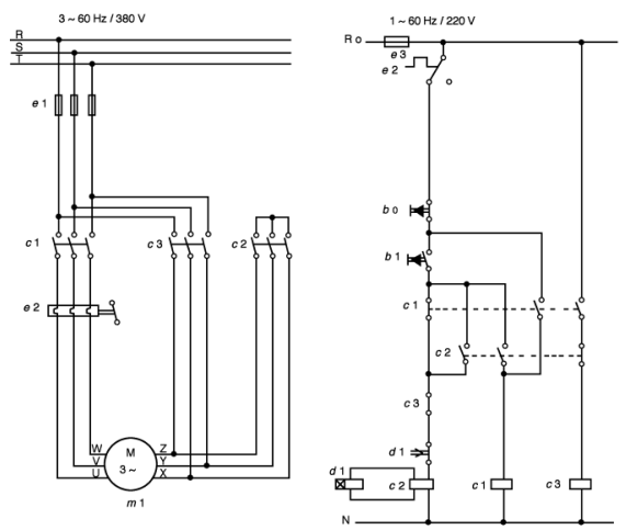
Analise a figura abaixo e as assertivas a seguir:

I. A figura apresenta os diagramas de força e de controle de um acionamento estrela-triângulo de máquina trifásica de indução.
II. No diagrama, o botão b1 ativa o acionamento da máquina.
III. Nesse tipo de acionamento, após um tempo pré-programado, a máquina inverte o sentido de rotação.
IV. As contactoras C1, C2 e o dispositivo de retardamento d1 são responsáveis pela sequência inicial de partida do motor em estrela.
Quais estão INCORRETAS?