Magna Concursos
405510 Ano: 2017
Disciplina: Engenharia Eletrônica
Banca: IFB
Orgão: IFB

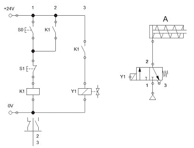
Considerando os diagramas elétrico e pneumático a seguir, podemos afirmar que:

Enunciado 405510-1

 

Provas

Questão presente nas seguintes provas

Professor PEBTT - Mecatrônica

50 Questões