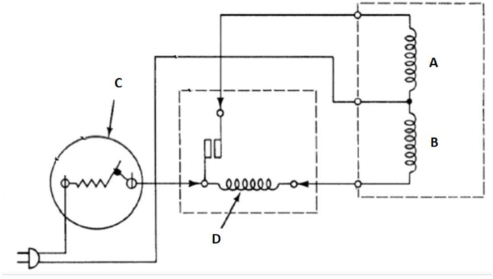
Analise o diagrama elétrico de um refrigerador doméstico apresentado na figura.

Assinale a alternativa que identifica, correta e respectivamente, os itens “A”, “B”, “C” e “D”.
Provas
Questão presente nas seguintes provas
Técnico de Manutenção - Climatização e Gases
40 Questões