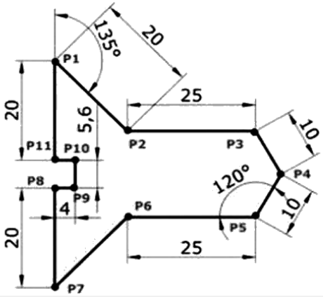
Observe o desenho abaixo:

Para executá-lo pode-se utilizar dois tipos de coordenadas: relativas retangulares e relativas polares. Analisando especificamente as coordenadas relativas polares e baseando-se no sentido em que foi realizado o exercício P1 ao P11, aponte entre as opções, a alternativa que apresenta as coordenadas polares utilizadas é: