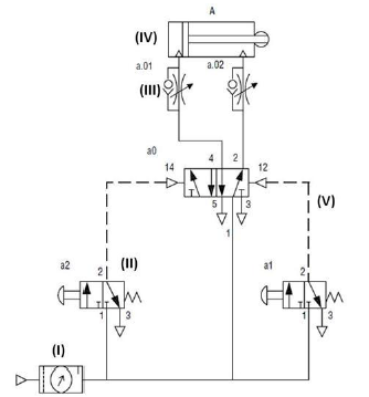
A simbologia utilizada no diagrama do circuito pneumático abaixo segue a norma DIN/ISO 1929. De acordo com essa norma, complete as lacunas com a numeração equivalente de I a V com a identificação funcional dos elementos constantes do diagrama.

( ) Válvula de controle de fluxo com retorno livre (unidirecional)
( ) Linha de comando
( ) Conjunto de condicionamento de ar
( ) Cilindro de dupla ação com haste unilateral
( ) Válvula direcional com três vias e duas posições
Marque a alternativa que representa a sequência correta de cima para baixo: