Disciplina: TI - Organização e Arquitetura dos Computadores
Banca: CESPE / CEBRASPE
Orgão: ABIN

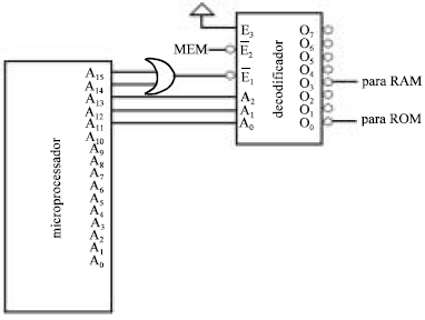
A figura acima ilustra parcialmente o circuito de decodificação de memória de um microcomputador. Com relação a esse circuito, considere que: (a) o microprocessador tem 16 linhas de endereço não-multiplexadas e 8 linhas de dados bidirecionais; (b) o decodificador é habilitado quando \(\overline {E_1}\) = \(\overline {E_2}\) = \(0\) e \(E_3\) = \(1\); (c) o bit A2 do decodificador é o mais significativo, ou seja, quando A0 = 1 e A1 = A2 = 0, a saída O1 é ativada; (d) quando a saída do decodificador que é ativada ela vai a nível lógico 0, todas as outras permanecem em nível lógico 1; (e) as memórias ROM e RAM são habilitadas por outros sinais de controle em conjunto com o sinal do decodificador; (f) o bit E2 (sinal MEM) do decodificador vai a nível lógico 0 no momento do acesso às memórias ROM e RAM; (g) a memória RAM é estática e segue o padrão JEDEC.
Com relação a esse microcomputador, julgue o item seguinte.
Se a memória ROM tem 11 linhas de endereço e 8 linhas de dados, a sua capacidade é de 2 kilobytes.