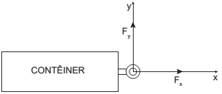
Durante o posicionamento de um contêiner, este é solicitado por duas forças, Fx e Fy , aplicadas nas direções dos eixos x e y, respectivamente, conforme mostrado na Figura abaixo.

Se Fx vale 400 N, e Fy vale 300 N, o valor da força resultante aplicada, em N, é
Provas
Questão presente nas seguintes provas
Técnico - Inspeção de Equipamentos e Instalações
60 Questões