Magna Concursos
2881448 Ano: 2010
Disciplina: Engenharia Mecânica
Banca: CESGRANRIO
Orgão: Petrobrás

Enunciado 3090967-1

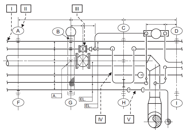
Os 5 elementos identificados na planta de tubulações ilustrada acima são:

I II III IV V
 

Provas

Questão presente nas seguintes provas